Атомно-силовая микроскопия, разновидность сканирующей зондовой микроскопии, предлагает захватывающее понимание структур за пределами разрешающей способности оптической микроскопии и, следовательно, мира наноструктур. Метод сканирования основан на использовании тонкого сканирующего зонда, который состоит из гибкого рычага, называемого кантилевером, который поддерживает радиус наконечника менее 10 нм. По мере того, как игла взаимодействует с поверхностью образца, отклонение кантилевера регистрируется для создания профиля возвышения поверхности построчно. Для правильной работы атомно-силового микроскопа (AFM) кантилевер должен отвечать нескольким требованиям. Необходима низкая жесткость пружины, чтобы можно было измерить небольшие силы. Он должен иметь большую резонансную частоту, чтобы минимизировать влияние механических колебаний. Следовательно, кантилевер должен иметь как небольшую массу, так и небольшие размеры.
В EDU-AFM1 (/M) свет от лазерного источника фокусируется на кантилевер с помощью фокусирующей линзы в корпусе с регулируемым увеличением. Свет, отраженный от кантилевера, попадает в датчик положения (четырехсегментный фотодиод). Когда кантилевер отклоняется во время сканирования из-за изменения высоты поверхности, соответствующее отклонение лазерного пучка измеряется, а затем считывается и обрабатывается цифровым сигнальным процессором (DSP). В зависимости от используемого режима сканирования, зависящие от отклонения напряжения от четырехсегментного фотодиода могут использоваться в качестве информации о высоте для создания контурной карты поверхности образца или в качестве сигнала обратной связи между DSP и осью z. блок позиционирования, поддерживающий образец. В последнем случае блок позиционирования по оси Z может использоваться для регулировки высоты образца для поддержания постоянного отклонения кантилевера (измеряемого четырехсегментным фотодиодом), а контурная карта поверхности образца создается путем записи изменений.
Описание
- Предназначен для обучения, демонстрации и использования в аудитории;
- Полный комплект Photonics включает все оборудование, кроме платы, а также подробное руководство и учебные материалы;
- Легко собрать и использовать;
- Выберите из образовательных комплектов, содержащих компоненты в дюймовой или метрической системе.
Подробнее об образовательном наборе
- Создайте атомно-силовой микроскоп;
- Узнайте об основных силах между атомами на кончике зонда и поверхностью образца;
- Узнайте о точном нанометровом управлении движением и гистерезисе с помощью пьезо-приводов;
- Поймите принципы, лежащие в основе различных методов сканирования, таких как режим постоянной высоты и постоянной силы;
- Включает образцы CD, DVD и Blu-Ray дисков, а также микроструктуру для калибровки.
Образовательный набор атомно-силового микроскопа (AFM) Thorlabs включает в себя все компоненты*, необходимые студентам для создания базового атомно-силового микроскопа в лаборатории. Эта обучающая система позволяет студентам управлять и настраивать установку во время проведения экспериментов по изображению одного из включенных образцов. Хотя система не является прибором исследовательского класса, она может достичь достаточного разрешения для демонстрации физических свойств и технологий, используемых в AFM. Он способен отображать изображения в режиме постоянной высоты, постоянной силы и поперечной силы, а также записывать кривые «сила-расстояние».
В учебный комплект, помимо компонентов микроскопа, входят:
- Интуитивно понятный программный пакет EDU-AFM для управления микроскопом через ПК под управлением операционной системы Windows®;
- Калибровочный образец микроструктуры;
- 10 контактных зондов AFM;
- Образцы CD, DVD и Blu-Ray дисков;
- Подробное руководство с инструкциями по построению AFM, теорией работы и упражнениями для студентов.
В совокупности эти особенности делают образовательный набор Thorlabs универсальной, ориентированной на приложения установкой, которая является идеальным вводным курсом для продвинутых студентов бакалавриата.
* AFM должен быть установлен на оптическом столе или плате, который не входит в этот комплект. Если в лаборатории еще нет подходящего модуля, рекомендуется использовать сотовую макетную плату Nexus® B1824F с амортизирующими опорами AV5 для дюймовых комплектов (B4560A с AV5/M, соответственно, для метрических комплектов), которые можно приобрести отдельно. Нельзя использовать стандартную алюминиевую макетную плату, так как она недостаточно изолирует AFM от вибраций.
Коллимация лазерного пучка в AFM
Детали комплекта
Комплект демонстрационного / образовательного атомно-силового микроскопа (AFM) Thorlabs разработан для использования в классе, лаборатории и других образовательных целях. Он оснащен зондом, держателем образца на моторизованном столике с моторизованным позиционированием с обратной связью, лазерным и четырехсегментным фотодиодным детектором для измерения отклонения зонда, а также интуитивно понятным программным пакетом EDU-AFM для управления настройкой.
Операции
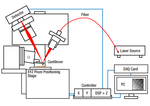
В измерениях AFM используется зонд, состоящий из гибкого кантилевера, который поддерживает наконечник нанометрового размера, для сканирования структуры поверхности образцов. На схеме показано, как работает атомно-силовой микроскоп EDU-AFM1 (/M). Лазерный свет излучается настольным источником с оптоволоконным соединением с длиной волны 635 нм. Коммутационный кабель подает лазерный пучок в коллиматор, состоящий из линзы в корпусе с регулируемым увеличением. Этот коллиматор установлен на 3-осевой кинематической опоре, так что сфокусированное лазерное пятно может быть отцентрировано на поверхности кантилевера. Свет, отраженный от кантилевера, попадает в узел крепления детектора, где он снова фокусируется на поверхности четырехсегментного фотодиода. Измерение напряжения с фотодиода обеспечивает измерение отклонения кантилевера, которое можно использовать либо непосредственно для создания изображения, либо в контуре обратной связи для управления высотой предметного столика.
Схема учебного атомно-силового микроскопа. Красные линии показывают путь лазерного излучения, а синие – электрические соединения.
Предметный столик и кантилевер
В EDU-AFM1 (/M) зонд остается неподвижным, в то время как образец перемещается под наконечником зонда с помощью 3-осевого столика MAX311D (/M) с пьезоэлектрическими преобразователями с замкнутым контуром. Датчик удерживается в специальном креплении, прикрепленном к платформе AMA009 (/M), которая подключается к неподвижной стороне MAX311D (/M), как показано на изображении. Контроллеры приводов K-Cube KPZ101 используются для управления каждой осью предметного столика. Контроллеры для осей X и Y KSG101 соединены с тензодатчиком, который измеряет отклонение пьезоэлемента. Вместе они обеспечивают управление с обратной связью для точной установки и поддержания положения столика по осям X и Y. KPZ101, используемый для управления по оси Z, подключен к автоматизированной системе контроля смещения K-Cube KPA101 с внутренним цифровым сигнальным процессором (DSP), который используется для отслеживания отклонения кантилевера, как описано ниже.
Режимы получения изображения и измерения
Перед началом сканирования система настраивается так, чтобы свет, отраженный от кантилевера, падал на центр четырехсегментного фотодиодного детектора. По мере сканирования образца кантилевер начнет отклоняться, перемещая пятно от центра детектора и изменяя сигналы выходного напряжения. В зависимости от режима сканирования этот сигнал выходного напряжения используется по-разному. В режиме постоянной высоты сигнал напряжения используется непосредственно как информация о высоте. Программное обеспечение EDU-AFM сопоставляет каждое измерение напряжения с положением XY на образце для создания контурной карты поверхности.
В режиме постоянной силы система настроена на поддержание постоянного отклонения кантилевера: это достигается путем установки замкнутого контура обратной связи между фотодиодом, DSP в автоматическом выравнивателе и контроллером оси Z. Когда четырехсегментный фотодиод обнаруживает изменение положения лазерного пятна, DSP в автоматическом выравнивателе вычисляет поправку на высоту образца, необходимую для поддержания первоначального отклонения кантилевера. Этот сигнал используется программным обеспечением EDU-AFM в качестве информации о высоте в сочетании с данными контроллеров по осям X и Y для создания контурной карты поверхности образца.
В дополнение к этим двум режимам сканирования EDU-AFM1 (/M) также может измерять поперечные силы на кантилевер и то, как силы на кантилевере изменяются по мере приближения к поверхности образца.
Узел лазерной коллимации (вверху справа), кантилевер (в центре) и крепления детектора (вверху слева)
Технические характеристики AFM:
|
Получение изображения |
|
|
Область сканирования |
0.05 мкм x 0.05 мкм (мин.) 20 мкм x 20 мкм (макс.) |
|
Число пикселей в строке |
50, 100, 250 или 500 |
|
Скорость сканирования |
1 пиксель / с (мин.) 200 пикселей / с (макс.) |
|
Время на изображение (примеры) |
4 минуты для 100 x 100 пикселей с дискретизацией 100 пикселей / с 11 минут для пикселей 250 x 250 с дискретизацией 200 пикселей / с 25 минут для 500 x 500 пикселей с дискретизацией 200 пикселей / с (только вперед) |
|
Разрешение |
Для образовательных микроскопов мы воздерживаемся от ограничения разрешения из-за различных настроек. Обычно можно различить элементы масштаба 10 нм. a |
|
Свойства и режимы |
|
|
Рекомендации |
Кантилевер с алюминиевым покрытием (10 наконечников от компании BudgetSensors включены в комплект); b Также можно использовать стандартные контактные кантилеверы. c |
|
Режимы |
Постоянная сила Постоянная высота Боковая сила Кривые «сила-расстояние» |
|
Системы обратной связи |
Пьезоэлемент с замкнутым контуром XY со считывателем тензодатчиков KSG101 |
|
Взаимодействие с поверхностью |
Ручной метод с помощью дифференциальных регуляторов с вспомогательной компенсацией пьезо-обратной связи |
|
Длина волны лазера |
635 нм |
|
Выходная мощность лазера |
От 0.01 до 2.5 мВт |
|
Требования к ПК |
|
|
Операционная система |
Windows® XP, Service Pack 3 (32-разрядная версия), 7, 8 или 10 (32-разрядная или 64-разрядная версия), Windows® Installer 3.1 или выше |
|
Дополнительное ПО |
Требуется профиль клиента Microsoft .NET Framework 4.0. При установке при подключении к интернету установщик автоматически проверит наличие файла и при необходимости загрузит его из интернета. |
|
USB-порты |
Три USB 2.0 |
Примечания:
a. В качестве примера, набор был использован для получения изображения наконечника PELCO® AFM и образца для испытаний на разрешение, который состоит из одного слоя частиц кобальта. Частицы представляют собой сплюснутые полусферы с радиусом, обычно большим, чем высота, и высотой частиц, варьирующейся от 1 до 5 нм. Мы визуализировали этот образец с помощью набора EDU-AFM1 (/M) и измерили размер частиц приблизительно 25 нм в диаметре. Диаметр наконечника составляет приблизительно 15 нм, что дает разрешенный размер частиц 10 нм.
b. Дополнительные насадки для AFM с консолями с алюминиевым покрытием доступны в компании BudgetSensors.
c. Стандартные наконечники AFM доступны в компании BudgetSensors.
Комплектация набора:
|
Наименование |
Описание |
Кол-во |
|
Лазер и оптоволокно |
||
|
S1FC635 a |
Лазер с резонатором Фабри-Перо, длина волны излучения 635 нм, мощность излучения 2.5 мВт |
1 |
|
Соединительный оптоволоконный кабель, одномодовое оптоволокно, 1 м |
1 |
|
|
Оптоволоконный коллиматор, рабочая длина волны: 633 нм |
1 |
|
|
Плоско-выпуклая линза, материал: N-BK7, диаметр Ø1/2", f = 50.0 мм |
1 |
|
|
Крепления и комплектующие |
|
|
|
1 |
||
|
SM1L05 b |
1 |
|
|
1 |
||
|
1 |
||
|
Детектор и контроллер |
||
|
Позиционно-чувствительный детектор на основе квадрантного фотодиода, диапазон рабочих длин волн: 400 - 1050 нм |
1 |
|
|
Автоматизированная система контроля смещения K-Cube, для работы с позиционно-чувствительными детекторами |
1 |
|
|
Кинематический держатель с многоосной регулировкой положения элемента, число осей: 6 |
1 |
|
|
Плоско-выпуклая линза, материал: N-BK7, диаметр Ø1", f = 40.0 мм |
1 |
|
|
Крепления и комплектующие |
|
|
|
1 |
||
|
1 |
||
|
1 |
||
|
1 |
||
|
1 |
||
|
2 |
||
|
SM1L05 b |
1 |
|
|
1 |
||
|
1 |
||
|
1 |
||
|
Демпфированная опора и переходная пластина |
||
|
Опора с демпфированием, Ø1.5" |
1 |
|
|
- |
Монтажный зажим, 2,5 "x 2,5" (64 мм x 64 мм) |
1 |
|
- |
Переходная пластина |
1 |
|
Хомут для фиксации и регулировки высоты крепления элементов на стержне, Ø1.5" |
1 |
|
Примечания:
a. Это лазер класса 3R, поэтому все пользователи должны быть обучены и соблюдать все необходимые протоколы безопасности, в том числе носить очки для лазера.
b. В комплект входят 2 тубуса для линз в узлы лазерной коллимации и детектора.
Оплата продукции производится по безналичному расчету на основании счета либо договора поставки. Компания АЗИМУТ ФОТОНИКС принимает участие в конкурсных торгах (электронных аукционах) на выполнение заказов от бюджетных организаций. Для бюджетных организаций предусмотрена работа с частичной предоплатой в рамках договоров по ФЗ.
Доставка оборудования и компонентов во все регионы России осуществляется транспортными компаниями (Major Express, Гарантпост, СДЭК) с обязательным соблюдением требований к транспортировке и хранению, также возможен самовывоз из нашего офиса в Москве. Условия отправки груза в страны СНГ и ЕАЭС необходимо уточнять отдельно у специалистов нашей компании.
