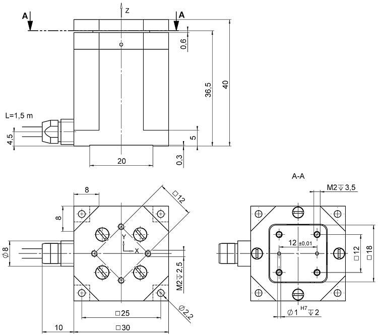
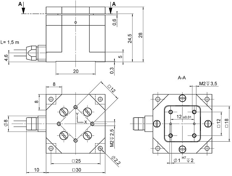
Трёхкоординатные пьезоплатформы серии P-363 представляют собой компактные системы с обратной связью для задач позиционирования в диапазоне до 6 мкм с точностью до 0.03 нм. Данные пьезоплатформы представлены двумя моделями: P-363.3CD для трёхкоординатного позиционирования и P-363.2CD для перемещения в плоскости XY. Благодаря низкой инерции при движении и высокоскоростному пьезосканеру с бесконтактными ёмкостными датчиками платформы P-363 идеально подходят для задач нанопозиционирования во многих областях науки и промышленности. Небольшие габаритные размеры (30 х 30 х 40 мм (XYZ версия) и 30 х 30 х 28 мм (XY версия)) позволяют легко встраивать данные устройства во многие установки. В пьезоплатформе P-363 нежелательное перемещение, вызванное одним из актуаторов в направлении действия другого (crosstalk), немедленно детектируется, и компенсируется при помощи обратной связи с сервоконтроллером.
Особенности:- Бесконтактность измерений; - Высокая линейность; - Высокая воспроизводимость; - Высокая стабильность. |
Применения:- Сканирующая микроскопия (АФМ, СТМ, СЭМ, …); - Биотехнология; - Нанопозиционирование; - Нанопечать; - Нанолитография; - Нанометрология. |
Резонансная частота платформы достигает 9.8 кГц при движении вдоль Z координаты и более 3 кГц при движении вдоль X и Y направлений. Для обеспечения высокой стабильности и снижения инерции корпус платформы P-363 выполнен из титана. Для обеспечения высоких динамических характеристик управление нанопозиционером P-363 осуществляется с помощью цифрового контроллера E-725.3CM. Для обеспечения высокого разрешения целесообразно использовать контроллер E-536 серии PicoCube.
По требованию заказчика существует возможность изготовления пьезоплатформы для эксплуатации в условиях вакуума.
Технические характеристики:
|
Характеристика/модель |
P-363.3CD |
P-363.2CD |
Единица измерения |
|
Направления перемещения |
X,Y,Z |
X,Y | |
|
Тип встроенного датчика |
Ёмкостный |
Ёмкостный | |
|
Диапазон перемещения без обратной связи вдоль осей X,Y (-250 … +250 В) |
± 3 |
± 3 |
мкм |
|
Диапазон перемещения без обратной связи вдоль оси Z (-250 … +250 В) |
± 2.7 |
- |
мкм |
|
Диапазон перемещений с обратной связью вдоль осей X,Y |
± 2.5 |
± 2.5 | |
|
Диапазон перемещений с обратной связью вдоль оси Z |
± 2.5 |
- |
мкм |
|
Разрешение без обратной связи |
0.03* |
0.03* |
нм |
|
Разрешение с обратной связью |
0.1 |
0.1 |
нм |
|
Нелинейность |
0.05 |
0.05 |
% |
|
Точность повторного позиционирования |
1** |
1** |
нм |
|
Отклонение вокруг поперечной/продольной оси (Pitch/Yaw) при движении по осям X,Y |
0.5 |
0.5 |
мкрад |
|
Отклонение вокруг осей X и Y (Runout)при движении вдоль оси Z |
0.2 |
- |
мкрад |
|
Абсолютное значение отклонения вокруг оси Z (Straightness) |
3 |
3 |
нм |
|
Абсолютное значение отклонения вокруг оси Y (Flatness) |
< 10 |
< 10 |
нм |
|
Погрешность перемещения, связанная со взаимным влиянием параметров Straightness и Flatness (Crosstalk) |
5 |
- |
нм |
|
Резонансная частота без нагрузки при движении вдоль осей X,Y |
3.1 |
4.2 |
кГц |
|
Резонансная частота без нагрузки при движении вдоль оси Z |
9.8 |
- |
кГц |
|
Резонансная частота с нагрузкой в 20 г при движении вдоль осей X,Y |
1.5 |
2.1 |
кГц |
|
Максимальная нагрузка |
10 |
10 |
Н |
|
Тип пьезокерамики |
PICA |
PICA | |
|
Диапазон рабочих температур |
От -20 до +80 |
От -20 до +80 |
°С |
|
Материал корпуса |
Титан |
Титан | |
|
Габариты |
30 х 30 х 40 |
30 х 30 х 28 |
мм |
|
Масса |
225 |
190 |
г |
|
Длина кабеля |
1.5 |
1.5 |
м |
|
Тип разъёма для сигнального кабеля/датчика*** |
Sub-D |
Sub-D | |
|
Рекомендуемый контроллер |
Е-536 |
Е-536 |
Оплата продукции производится по безналичному расчету на основании счета либо договора поставки. Компания АЗИМУТ ФОТОНИКС принимает участие в конкурсных торгах (электронных аукционах) на выполнение заказов от бюджетных организаций. Для бюджетных организаций предусмотрена работа с частичной предоплатой в рамках договоров по ФЗ.
Доставка оборудования и компонентов во все регионы России осуществляется транспортными компаниями (Major Express, Гарантпост, СДЭК) с обязательным соблюдением требований к транспортировке и хранению, также возможен самовывоз из нашего офиса в Москве. Условия отправки груза в страны СНГ и ЕАЭС необходимо уточнять отдельно у специалистов нашей компании.
