|
Поставщик
|
Physik Instrumente (PI) |
|
Типы изделий
|
многокоординатные пьезоплатформы |
|
Тип привода
|
пьезоэлектрические |
|
Количество осей
|
трехосевые |
|
Диапазон перемещения
|
200 мкм |
|
Ось перемещения
|
XYZ |
|
Материал
|
алюминий |
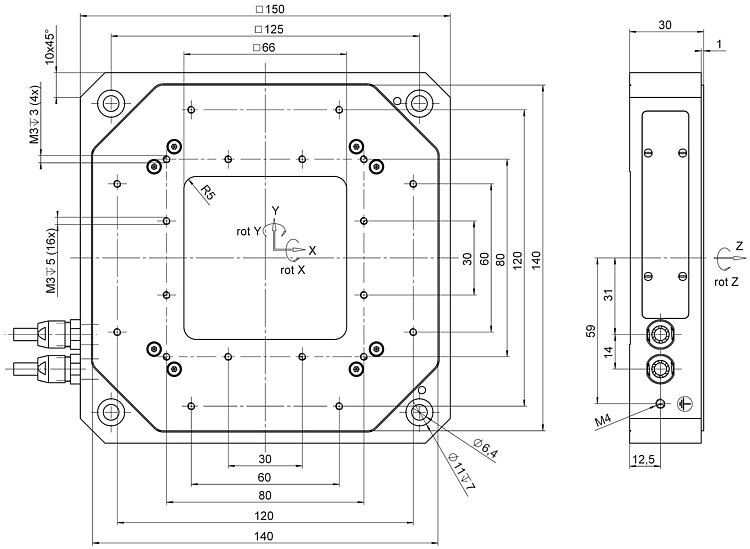
Платформа P-562.6CD является шестикоординатной системой нанопозиционирования, которая обеспечивает перемещение объектов с массой до 5 кг по трём линейным осям (X,Y,Z) на дистанцию до 200 мкм и вокруг этих осей (θX, θY, θZ) на угол до ±0.5 мрад. Апертура размером 66 х 66 мм позволяет использовать данную платформу во многих задачах нанопозиционирования, требующих прохождения света через подвижный элемент. Основой двигателя P-562.6CD являются пьезоактуаторы серии PICMA, отличающиеся высокими эксплуатационными характеристиками и надёжностью. Платформа P-562.6CD относится к системам параллельной кинематики, в которых все встроенные в платформу пьезоактуаторы воздействуют на одну подвижную часть платформы. Использование в многокоординатной платформе только одной движущейся части позволяет минимизировать перемещаемую массу и тем самым улучшить динамические характеристики. В P-562.6CD встроены ёмкостные датчики положения. В совокупности с системой обратной связи датчики позволяют пользователю получать информацию о текущем положении пьезоплатформы, а также обеспечивают компенсацию таких нежелательных эффектов, как гистерезис, крип, что повышает точность повторного позиционирования.
Платформа P-562.6CD адаптирована для работы в вакууме до 10-9 гПа. Существует возможность разработки платформы с другими диапазонами перемещения по запросу.
Технические характеристики:
|
Характеристики |
P-562.6CD |
Единицы измерения |
Допуск |
|
Направление перемещения |
X, Y, Z, θX, θY, θZ |
||
|
Встроенный сенсор |
Ёмкостный |
||
|
Диапазон перемещения с обратной связью в направлении X, Y, Z |
200 |
мкм |
|
|
Диапазон перемещения с обратной связью в направлении θX, θY, θZ |
±0.5 |
мрад |
|
|
Разрешение при перемещении вдоль X, Y, Z |
1 |
нм |
Тип. |
|
Разрешение при перемещении вокруг θX, θY, θZ |
0.1 |
мкрад |
Тип. |
|
Нелинейность (X, Y, Z) |
0.01 |
% |
Тип. |
|
Нелинейность (θX, θY, θZ) |
0.1 |
% |
Тип. |
|
Точность повторного позиционирования (X, Y, Z) |
±2/±2/±3 |
нм |
Тип. |
|
Точность повторного позиционирования (θX, θY, θZ) |
±0.1/±0.1/±0.15 |
мкрад |
Тип. |
|
Плоскопараллельность |
<15 |
нм |
Тип. |
|
Резонансная частота без нагрузки (X, Y, Z) |
110/110/190 |
Гц |
±20% |
|
Допустимая нагрузка |
50 |
Н |
Макс. |
|
Тип пьезокерамики |
PICMA |
||
|
Электрическая ёмкость (X, Y, Z) |
7.4 / 7.4 / 14.8 |
мкФ |
±20% |
|
Динамический коэффициент рабочего тока (DOCC) в направлении X/Y/Z |
4.6 / 4.6 / 9.2 |
мкА/ (Гц*мкм) |
±20% |
|
Диапазон рабочих температур |
От -20 до +80 |
°С |
|
|
Материал |
Алюминий |
||
|
Масса |
1.45 |
кг |
±5% |
|
Длина кабеля |
1.5 |
м |
±10 мм |
|
Разъём сигнального кабеля/датчика |
2 × Sub-D Special |
Оплата продукции производится по безналичному расчету на основании счета либо договора поставки. Компания АЗИМУТ ФОТОНИКС принимает участие в конкурсных торгах (электронных аукционах) на выполнение заказов от бюджетных организаций. Для бюджетных организаций предусмотрена работа с частичной предоплатой в рамках договоров по ФЗ.
Доставка оборудования и компонентов во все регионы России осуществляется транспортными компаниями (Major Express, Гарантпост, СДЭК) с обязательным соблюдением требований к транспортировке и хранению, также возможен самовывоз из нашего офиса в Москве. Условия отправки груза в страны СНГ и ЕАЭС необходимо уточнять отдельно у специалистов нашей компании.
