|
Поставщик
|
Physik Instrumente (PI) |
|
Типы изделий
|
многокоординатные пьезоплатформы |
|
Тип привода
|
пьезоэлектрические |
|
Количество осей
|
двухосевые |
|
Диапазон перемещения
|
100-130 мкм |
|
Ось перемещения
|
XY |
|
Материал
|
алюминий, сталь |
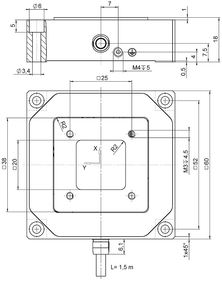
Пьезоплатформы серии P-612.2 являются компактными позиционерами, предназначенными для перемещения объектов с массой до 1.5 кг на дистанцию до 100 мкм вдоль осей X и Y с разрешением в нанометровом диапазоне. В режиме без обратной связи диапазон перемещения составляет 130 мкм по каждой из осей. Данные позиционеры имеют апертуру 20 х 20 мм, что позволяет их использовать во многих задачах биомедицины, микроскопии и лазерной технологии. Основой привода платформ серии P-612.2 является пьезоактуатор P-885 серии PICMA®, характеризующийся низким током утечки и большим сроком службы.
Серия P-612.2 представлена двумя модификациями: P-612.2SL, оснащённая тензометрическим датчиком, и P-612.20L, не имеющая датчик. Тензодатчик вместе с системой обратной связи позволяют скомпенсировать нелинейные эффекты, связанные с пьезокерамикой, и добиться точности повторного позиционирования менее 10 нм. Модификация P-612.20L предназначена для задач нанопозиционирования, где не требуется определение абсолютного значения координаты платформы или положение контролируется с помощью внешних устройств. Для управления данными позиционерами компания Physik Instrumente выпускает цифровой контроллер серии E-727 с интерфейсами Ethernet, USB и RS-232 для обмена данными с ПК.
Технические характеристики:
|
Характеристики |
P-612.2SL |
P-612.20L |
Единица измерения |
Допуск |
|
Направление перемещения |
X,Y |
X,Y | ||
|
Тип встроенного датчика |
Тензометрический |
- | ||
|
Диапазон перемещений без обратной связи (от -20 до +120 В) |
130 |
130 |
мкм |
Мин. (20%/-0%) |
|
Диапазон перемещений с обратной связью |
100 |
100 |
мкм | |
|
Разрешение без обратной связи |
0.8 |
0.8 |
нм |
Тип. |
|
Разрешение с обратной связью |
5 |
- |
нм |
Тип. |
|
Нелинейность |
0.4 |
- |
% |
Тип. |
|
Точность повторного позиционирования |
<10 |
- |
нм |
Тип. |
|
Отклонение вокруг оси Y |
±10 |
±10 |
мкрад |
Тип. |
|
Отклонение вокруг оси X/Z |
±10 / ±50 |
±10 / ±50 |
мкрад | |
|
Жёсткость |
0.15 |
0.15 |
Н/мкм |
±20% |
|
Резонансная частота без нагрузки |
400 |
400 |
Гц |
±20% |
|
Резонансная частота с нагрузкой 100 г |
200 |
200 |
Гц |
±20% |
|
Толкающее/тянущее усилие в направлении перемещения |
15 / 5 |
15 / 5 |
Н |
Макс. |
|
Допустимая нагрузка |
15 |
15 |
Н |
Макс. |
|
Тип пьезокерамики |
PICMA® P-885 |
PICMA® P-885 | ||
|
Электрическая ёмкость |
1.5 |
1.5 |
мкФ |
±20% |
|
Динамический коэффициент рабочего тока |
1.9 |
1.9 |
мкА/ (Гц*мкм) |
±20% |
|
Диапазон рабочих температур |
От -20 до +80 |
От -20 до +80 |
°С | |
|
Материал |
Алюминий, сталь |
Алюминий, сталь | ||
|
Масса |
105 |
105 |
г |
±5% |
|
Длина кабеля |
1.5 |
1.5 |
м |
±10 мм |
|
Тип разъёма для датчика/ сигнального кабеля |
2хLEMO |
1хLEMO |
Оплата продукции производится по безналичному расчету на основании счета либо договора поставки. Компания АЗИМУТ ФОТОНИКС принимает участие в конкурсных торгах (электронных аукционах) на выполнение заказов от бюджетных организаций. Для бюджетных организаций предусмотрена работа с частичной предоплатой в рамках договоров по ФЗ.
Доставка оборудования и компонентов во все регионы России осуществляется транспортными компаниями (Major Express, Гарантпост, СДЭК) с обязательным соблюдением требований к транспортировке и хранению, также возможен самовывоз из нашего офиса в Москве. Условия отправки груза в страны СНГ и ЕАЭС необходимо уточнять отдельно у специалистов нашей компании.
