|
Поставщик
|
Physik Instrumente (PI) |
|
Типы изделий
|
многокоординатные пьезоплатформы |
|
Тип привода
|
пьезоэлектрические |
|
Количество осей
|
трехосевые |
|
Диапазон перемещения
|
10-115 мкм |
|
Ось перемещения
|
XY/XYZ |
|
Материал
|
алюминий |
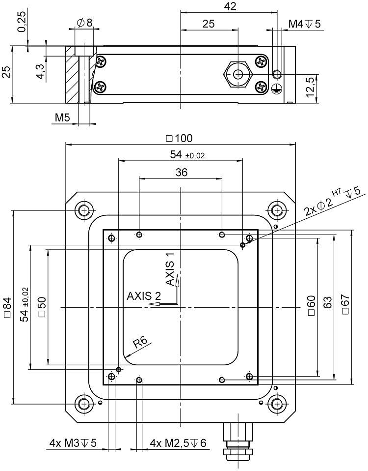
Пьезоплатформы серии P-733 представлены несколькими моделями, обеспечивающими перемещение по координатам XY, XYZ на дистанции (в режиме с обратной связью) до 100 мкм. Апертура размером 50 х 50 мм позволяет использовать платформы во многих задачах нанопозиционирования, требующих прохождения света через подвижный элемент. Все модели серии P-733 оборудованы ёмкостными датчиками обратной связи. Измерение перемещения при помощи ёмкостных датчиков осуществляется без физического контакта, что позволяет избежать трения. Отсутствие гистерезиса, субнанометровое разрешение и высокая линейность делают ёмкостные датчики отличным инструментом для реализации обратной связи. Платформы серии P-733 относятся к системам параллельной кинематики, в которых все встроенные в платформу пьезоактуаторы воздействуют на одну подвижную часть платформы. Использование в многокоординатной платформе только одной движущейся части позволяет минимизировать перемещаемую массу и тем самым улучшить динамические характеристики.
Системы параллельной кинематики могут иметь до 6-ти степеней свободы и при этом сохранять низкую инерцию и отличные динамические характеристики. В таких системах возможно определение положения платформы по всем степеням свободы относительно реперной точки. В пьезоплатформах с параллельной кинематикой нежелательное перемещение, вызванное одним из актуаторов в направлении действия другого (crosstalk), немедленно детектируется и компенсируется при помощи обратной связи с контроллером.
Для наиболее гибкого выбора контроллеров к пьезоплатформам, в серии P-733 представлены модели с различным типом разъёмов. Модели с каталожным номером P-733.xxD имеют разъём «Sub-D special»; модели с каталожным номером P-733.xxL оснащены разъёмом «LEMO». Доступны вакуумные модификации платформ. На давление до 10‑6 гПа рассчитаны модификации: P-733.2VL, P-733.2VD. Для эксплуатации при давлении до 10-9 гПа предназначена модель P-733.2UD. В пьезоплатформах серии P-733 используются пьезоактуаторы PICMA®, характеризующиеся низким током утечки и большим сроком службы.
Технические характеристики:
|
Характеристика |
P-733.2CD, P-733.2CL |
P-733.3CD, P-733.3CL |
P-733.2DD |
P-733.3DD |
Ед. изм. |
|
Направление перемещения |
X, Y |
X, Y, Z |
X, Y |
X, Y, Z | |
|
Характеристики движения и позиционирования | |||||
|
Встроенный сенсор |
Ёмкостный |
Ёмкостный |
Ёмкостный |
Ёмкостный | |
|
Диапазон перемещений без обратной связи (от -20 до +120 В) |
115 x 115 |
115 x 115 x 12 |
33 x 33 |
33 x 33 x 14 |
мкм |
|
Диапазон перемещений с обратной связью |
100 x 100 |
100 x 100 x 10 |
30 x 30 |
30 x 30 x 10 |
мкм |
|
Разрешение без обратной связи |
0.2 |
0.2 (0.1 на Z) |
0.1 |
0.1 |
нм |
|
Разрешение с обратной связью |
0.3 |
0.3 (0.2 на Z) |
0.1 |
0.1 |
нм |
|
Нелинейность |
0.03 |
0.03 |
0.03* |
0.03* |
% |
|
Точность повторного позиционирования X/Y/Z |
2 / 2 / - |
2 / 2 / 1 |
2 / 2 / - |
2 / 2 / 1 |
нм |
|
Отклонение от вокруг поперечной оси (Pitch) при движении по осям X, Y |
<±3 |
<±3 |
<±5 |
<±5 |
мкрад |
|
Отклонение от вокруг вертикальной оси (Yaw) при движении по осям X, Y |
<±10 |
<±10 |
<±10 |
<±10 |
мкрад |
|
Отклонение вокруг оси X при движении по оси Z (Runout) |
- |
<±5 |
- |
<±5 |
мкрад |
|
Механические характеристики | |||||
|
Жёсткость XY/Z |
1.5 |
1.4 / 9 |
20 |
4 / 10 |
Н*мкм |
|
Резонансная частота без нагрузки XY/Z |
500 |
460 / 1400 |
2230 |
1200 /1100 |
Гц |
|
Резонансная частота с нагрузкой 120 г XY/Z |
370 |
340 / 1060 |
- |
- |
Гц |
|
Резонансная частота с нагрузкой 200 г XY/Z |
340 |
295 / 650 |
1550 |
530 / 635 |
Гц |
|
Толкающая / тянущая сила |
50/20 |
50/20 |
50/20 |
50/20 |
Н |
|
Характеристики двигателя | |||||
|
Тип пьезокерамики |
PICMA® P-885 |
PICMA® P-885 |
PICMA® P-885 |
PICMA® P-885 | |
|
Электрическая ёмкость в направлении XY/Z |
6 |
6 / 2.4 |
6.2 |
6.2 / 3.3 |
мкФ |
|
Динамический коэффициент рабочего тока (DOCC) в направлении XY/Z |
7.5 |
7.5 / 30 |
25 |
25 / 41 |
мкА/(Гц*мкм) |
|
Прочие условия | |||||
|
Диапазон рабочих температур |
От -20 до +80 |
От -20 до +80 |
От -20 до +80 |
От -20 до +80 |
°С |
|
Материал |
Алюминий |
Алюминий |
Алюминий |
Алюминий | |
|
Масса |
0.58 |
0.675 |
0.58 |
0.675 |
кг |
|
Длина кабеля |
1.5 |
1.5 |
1.5 |
1.5 |
м |
|
Разъём: CD-version / CL-version |
Sub-D special / LEMO |
Sub-D special / LEMO |
Sub-D special |
Sub-D special | |
*Параметр указан при использовании платформы с цифровым контроллером.
Оплата продукции производится по безналичному расчету на основании счета либо договора поставки. Компания АЗИМУТ ФОТОНИКС принимает участие в конкурсных торгах (электронных аукционах) на выполнение заказов от бюджетных организаций. Для бюджетных организаций предусмотрена работа с частичной предоплатой в рамках договоров по ФЗ.
Доставка оборудования и компонентов во все регионы России осуществляется транспортными компаниями (Major Express, Гарантпост, СДЭК) с обязательным соблюдением требований к транспортировке и хранению, также возможен самовывоз из нашего офиса в Москве. Условия отправки груза в страны СНГ и ЕАЭС необходимо уточнять отдельно у специалистов нашей компании.
