|
Поставщик
|
Physik Instrumente (PI) |
|
Типы изделий
|
многокоординатные пьезоплатформы |
|
Тип привода
|
пьезоэлектрические |
|
Количество осей
|
одноосевые |
|
Диапазон перемещения
|
45-290 мкм |
|
Ось перемещения
|
X |
|
Материал
|
алюминий |
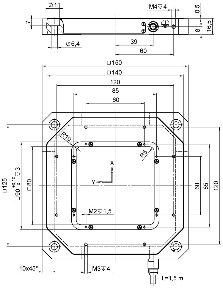
Платформы для нанопозиционирования P-541.2 - P-542.2 специально разработаны для интеграции в системы микроскопии высокого разрешения. Отличительными особенностями данных платформ являются: низкий профиль (16.5 мм), большая апертура (80 х 80 мм) и высокая точность позиционирования с субнанометровым разрешением. Также существует исполнение платформы P-541 для позиционирования по оси Z с вращением вокруг θX; θY, которая позволяет в комбинации с X,Y позиционерами (например, M-686) создавать универсальные системы для микроскопии высокого разрешения и целого ряда метрологических задач. Высокая резонансная частота в 1.5 кГц позволяет работать с большой скоростью перемещения, что необходимо, например, при исследовании процессов критичных ко времени измерения.
В системах многоосевой параллельной кинематики все актуаторы воздействуют на одну подвижную платформу. Это подразумевает, что динамические характеристики всех подвижных осей должны быть схожими. Системы параллельной кинематики могут иметь до 6-ти степеней свободы и при этом сохранять низкую инерцию и отличные динамические характеристики. В таких системах возможно определение положения платформы по всем степеням свободы относительно реперной точки. В системах с параллельной кинематикой нежелательное перемещение, вызванное одним из актуаторов в направлении действия другого (cross talk), немедленно детектируется, и компенсируется при помощи обратной связи с сервоконтроллером. Встроенный датчик контроля положения обеспечивает быстрый отклик и поддержание стабильности позиционирования в нанометровом диапазоне. В наиболее прецизионных моделях данной серии используются емкостные датчики. Они позволяют измерять перемещения без физического контакта, что обеспечивает высокую линейность. Контроль положения может определяться также и с помощью использования тензодатчиков.
Технические характеристики:
|
Характеристика |
Модель |
Ед. изм. |
Погрешность | ||||||
|
P-541.2CD |
P-542.2CD P-542.2CL |
P-541.2DD |
P-541.2SL |
P-542.2SL |
P-541.20L |
P-542.20L | |||
|
Доступные направления перемещений |
X, Y |
X, Y |
X, Y |
X, Y |
X, Y |
X, Y |
X, Y |
| |
|
Характеристики движения и позиционирования | |||||||||
|
Тип встроенного сенсора |
Емкостной |
Емкостной |
Емкостной |
SGS |
SGS |
- |
- |
| |
|
Диапазон перемещений без обратной связи, -20 до +120 В |
175 x 175 |
290 x 290 |
60 x 60 |
175 x 175 |
290 x 290 |
175 x 175 |
290 x 290 |
мкм |
|
|
Диапазон перемещений с обратной связью |
100 x 100 |
200 x 200 |
45 x 45 |
100 x 100 |
200 x 200 |
- |
- |
мкм |
|
|
Разрешение без обратной связи / с обратной связью |
0.2 / 0.3 |
0.4 / 0.7 |
0.1 / 0.3 |
0.2 / 2.5 |
0.4 / 4 |
0.2 / - |
0.2 / - |
нм |
|
|
Нелинейность |
0.03 |
0.03 |
0.03* |
0.2 |
0.2 |
- |
- |
% |
|
|
Точность повторного позиционирования |
< 5 |
< 5 |
< 5 |
< 10 |
< 10 |
- |
- |
нм |
|
|
Вращения вокруг оси X (Pitch) |
< ±5 |
< ±5 |
< ±3 |
< ±5 |
< ±5 |
< ±5 |
< ±5 |
мкрад |
|
|
Вращения вокруг оси Y (Yaw) |
< ±10 |
< ±10 |
< ±3 |
< ±10 |
< ±10 |
< ±10 |
< ±10 |
мкрад |
|
|
Механические характеристики | |||||||||
|
Жесткость в направлении перемещения |
0.47 |
0.4 |
10 |
0.47 |
0.4 |
0.47 |
0.4 |
Н/мкм |
± 20 % |
|
Резонансная частота без нагрузки |
255 |
230 |
1550 |
255 |
230 |
255 |
230 |
Гц |
± 20 % |
|
Резонансная частота с нагрузкой 100 г |
200 |
190 |
- |
200 |
190 |
200 |
190 |
Гц |
± 20 % |
|
Резонансная частота с нагрузкой 200 г |
180 |
- |
1230 |
180 |
- |
180 |
- |
Гц |
± 20 % |
|
Резонансная частота с нагрузкой 300 г |
150 |
145 |
- |
150 |
145 |
150 |
145 |
Гц |
± 20 % |
|
Толкающее / тянущее усилие в направлении перемещения |
100 / 30 |
100 / 30 |
100 / 30 |
100 / 30 |
100 / 30 |
100 / 30 |
100 / 30 |
Н |
|
|
Допустимая нагрузка |
20 |
20 |
20 |
20 |
20 |
20 |
20 |
Н |
|
|
Характеристики двигателя | |||||||||
|
Тип используемой керамики |
PICMA® P-885 |
PICMA® P-885 |
PICMA® P-885 |
PICMA® P-885 |
PICMA® P-885 |
PICMA® P-885 |
PICMA® P-885 |
| |
|
Электрическая емкость (на ось) |
4.2 |
7.5 |
9 |
4.2 |
7.5 |
4.2 |
7.5 |
мкФ |
± 20 % |
|
Динамический коэффициент рабочего тока (на ось) |
5.2 |
4.8 |
25 |
5.2 |
4.8 |
5.2 |
4.8 |
мкА/(Гц*мкм) |
± 20 % |
|
Прочие характеристики | |||||||||
|
Диапазон рабочих температур |
От -20 до +80 |
От -20 до +80 |
От -20 до +80 |
От -20 до +80 |
От -20 до +80 |
От -20 до +80 |
От -20 до +80 |
°С |
|
|
Материал |
Алюминий |
Алюминий |
Алюминий |
Алюминий |
Алюминий |
Алюминий |
Алюминий |
| |
|
Масса |
1100 |
1150 |
1210 |
1050 |
1100 |
1050 |
1100 |
г |
± 5 % |
|
Длина кабеля |
1.5 |
1.5 |
1.5 |
1.5 |
1.5 |
1.5 |
1.5 |
м |
± 10 мм |
|
Тип разъема датчика |
Sub-D Special |
Sub-D Special |
Sub-D Special |
LEMO |
LEMO |
- |
- |
| |
|
Тип разъема питания |
Sub-D Special |
Sub-D Special |
Sub-D Special |
LEMO |
LEMO |
LEMO |
LEMO |
| |
Оплата продукции производится по безналичному расчету на основании счета либо договора поставки. Компания АЗИМУТ ФОТОНИКС принимает участие в конкурсных торгах (электронных аукционах) на выполнение заказов от бюджетных организаций. Для бюджетных организаций предусмотрена работа с частичной предоплатой в рамках договоров по ФЗ.
Доставка оборудования и компонентов во все регионы России осуществляется транспортными компаниями (Major Express, Гарантпост, СДЭК) с обязательным соблюдением требований к транспортировке и хранению, также возможен самовывоз из нашего офиса в Москве. Условия отправки груза в страны СНГ и ЕАЭС необходимо уточнять отдельно у специалистов нашей компании.
