|
Поставщик
|
Physik Instrumente (PI) |
|
Типы изделий
|
многокоординатные пьезоплатформы |
|
Тип привода
|
пьезоэлектрические |
|
Количество осей
|
трехосевые |
|
Диапазон перемещения
|
150 мкм |
|
Ось перемещения
|
Z/ZXY |
|
Материал
|
алюминий |
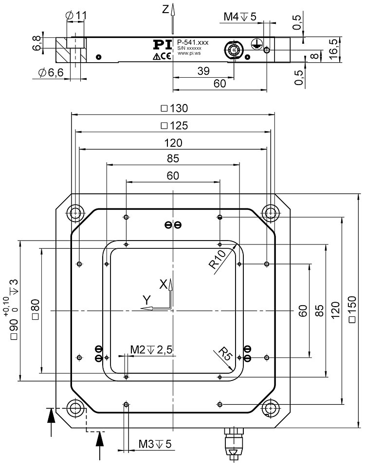
Пьезоплатформы серии P-541.Z разработаны для высокоточного позиционирования объектов с массой до 5 кг по осям Z и Z, θX, θY. Данные позиционеры имеют низкий профиль и апертуру 80 х 80 мм, что позволяет их использовать во многих приложениях, где требуется прохождение излучения через подвижный элемент.
Пьезопозиционеры P-541.Z представлены моделями с тензодатчиками (P-541.ZSL и P-541.TSL) и ёмкостными датчиками (P-541.ZCD и P-541.TCD) для обеспечения высокой повторяемости при позиционировании. Ёмкостные датчики обладают более высокой линейностью в сравнении с тензодатчиками и применяются в приложениях, где требуется обеспечить максимальную точность позиционирования. Версии без датчика положения (P-541.Z0L и P-541.T0L) могут применяться для задач, где требуется высокое разрешение при позиционировании, при этом положение платформы или перемещаемого объекта контролируется с помощью внешнего датчика. В платформах P-541.Z в качестве двигателя используются пьезоактуаторы P-885 серии PICMA, характеризующиеся большим сроком службы. Позиционеры P-541.Z относятся к системам параллельной кинематики, в которых все встроенные в платформу пьезоактуаторы воздействуют на одну подвижную часть платформы. Использование в многокоординатной платформе только одной движущейся части позволяет минимизировать перемещаемую массу и тем самым улучшить динамические характеристики. Пьезоплатформы P-541.Z обладают коротким временем стабилизации. К примеру, время стабилизации для платформы P-541.ZCD (с нагрузкой 20 г), управление которой осуществляется с помощью усилителя E-503 и сервомодуля E-509.C1A, составляет 9 мс.
Технические характеристики:
|
Характеристики |
P-541.ZCD |
P-541.TCD* |
P-541.ZSL |
Ед. измер. |
Допуск |
|
Направление перемещения |
Z |
Z, θX, θY |
Z | ||
|
Тип встроенного датчика |
Ёмкостный |
Ёмкостный |
Тензометрический | ||
|
Диапазон перемещения вдоль оси Z, без обратной связи, от -20 до 120 В |
150 |
150 |
150 |
мкм |
Мин. (20 % / -0 %) |
|
Диапазон перемещения по осям θX, θY, без обратной связи, от -20 до 120 В |
- |
±0.6 |
- |
мрад |
Мин. (20 % / -0 %) |
|
Диапазон перемещения с обратной связью вдоль оси Z |
100 |
100 |
100 |
мкм | |
|
Диапазон перемещения по осям θX, θY с обратной связью |
- |
±0.4 |
- |
мрад | |
|
Разрешение при перемещении вдоль оси Z в режиме без обратной связи |
0.2 |
0.2 |
0.2 |
нм |
Тип. |
|
Разрешение при перемещении по осям θX, θY в режиме без обратной связи |
- |
0.02 |
- |
мкрад |
Тип. |
|
Разрешение при перемещении вдоль оси Z в режиме с обратной связью |
0.5 |
0.5 |
2.5 |
нм |
Тип. |
|
Разрешение при перемещении вдоль осей θX, θY в режиме с обратной связью |
- |
0.08 |
- |
мкрад |
Тип. |
|
Нелинейность |
0.03 |
0.03 |
0.2 |
% |
Тип. |
|
Точность повторного позиционирования при перемещении вдоль оси Z |
<2 |
<2 |
<10 |
нм |
Тип. |
|
Точность повторного позиционирования при перемещении по осям θX, θY |
- |
0.01 |
- |
мкрад |
Тип. |
|
Отклонение вокруг осей X и Y при движении вдоль Z |
±15 |
±15 |
±15 |
мкрад |
Тип. |
|
Жёсткость в направлении оси Z |
0.8 |
0.8 |
0.8 |
Н/мкм |
±20% |
|
Резонансная частота без нагрузки (Z) |
410 |
410 |
410 |
Гц |
±20% |
|
Резонансная частота без нагрузки (θX, θY) |
- |
330 |
- |
Гц |
±20% |
|
Резонансная частота с нагрузкой 200 г (Z) |
250 |
250 |
250 |
Гц |
±20% |
|
Резонансная частота с нагрузкой 200 г (θX, θY) |
- |
270 |
- |
Гц |
±20% |
|
Толкающее/тянущее усилие |
50/20 |
50/20 |
50/20 |
Н |
Макс. |
|
Тип пьезокерамики |
P-885 серии PICMA |
P-885 серии PICMA |
P-885 серии PICMA | ||
|
Электрическая ёмкость |
6.3 |
6.3 |
6.3 |
мкФ |
±20% |
|
Динамический коэффициент рабочего тока |
7.9 |
7.9 |
7.9 |
мкА/ (Гц*мкм) |
±20% |
|
Диапазон рабочих температур |
От -20 до +80 |
От -20 до +80 |
От -20 до +80 |
° С | |
|
Материал |
Алюминий |
Алюминий |
Алюминий | ||
|
Масса |
750 |
750 |
730 |
г |
±5% |
|
Длина кабеля |
1.5 |
1.5 |
1.5 |
м |
±10 мм |
|
Тип разъёма для датчика |
Sub-D Special |
Sub-D Special |
LEMO | ||
|
Тип разъёма для сигнального кабеля |
Sub-D Special |
Sub-D Special |
LEMO |
Технические характеристики:
|
Характеристики |
P-541.TSL* |
P-541.Z0L |
P-541.T0L* |
Ед. измер. |
Допуск |
|
Направление перемещения |
Z, θX, θY |
Z |
Z, θX, θY | ||
|
Тип встроенного датчика |
Ёмкостный |
- |
- | ||
|
Диапазон перемещения вдоль оси Z, без обратной связи, от -20 до 120 В |
150 |
150 |
150 |
мкм |
Мин. (20 % / -0 %) |
|
Диапазон перемещения по осям θX, θY, без обратной связи, от -20 до 120 В |
±0.6 |
- |
±0.6 |
мрад |
мин. (20 % / -0 %) |
|
Диапазон перемещения с обратной связью вдоль оси Z |
100 |
- |
- |
мкм | |
|
Диапазон перемещения по осям θX, θY с обратной связью |
±0.4 |
- |
- |
мрад | |
|
Разрешение при перемещении вдоль оси Z в режиме без обратной связи |
0.2 |
0.2 |
0.2 |
нм |
Тип. |
|
Разрешение при перемещении по осям θX, θY в режиме без обратной связи |
0.02 |
- |
0.02 |
мкрад |
Тип. |
|
Разрешение при перемещении вдоль оси Z в режиме с обратной связью |
2.5 |
- |
- |
нм |
Тип. |
|
Разрешение при перемещении вдоль осей θX, θY в режиме с обратной связью |
0.25 |
- |
- |
мкрад |
Тип. |
|
Нелинейность |
0.2 |
- |
- |
% |
Тип. |
|
Точность повторного позиционирования при перемещении вдоль оси Z |
<10 |
- |
- |
нм |
Тип. |
|
Точность повторного позиционирования при перемещении по осям θX, θY |
0.05 |
- |
- |
мкрад |
Тип. |
|
Отклонение вокруг осей X и Y при движении вдоль Z |
±15 |
±15 |
±15 |
мкрад |
Тип. |
|
Жёсткость в направлении оси Z |
0.8 |
0.8 |
0.8 |
Н/мкм |
±20% |
|
Резонансная частота без нагрузки (Z) |
410 |
410 |
410 |
Гц |
±20% |
|
Резонансная частота без нагрузки (θX, θY) |
330 |
- |
330 |
Гц |
±20% |
|
Резонансная частота с нагрузкой 200 г (Z) |
250 |
250 |
250 |
Гц |
±20% |
|
Резонансная частота с нагрузкой 200 г (θX, θY) |
270 |
- |
270 |
Гц |
±20% |
|
Толкающее/тянущее усилие |
50/20 |
50/20 |
50/20 |
Н |
Макс. |
|
Тип пьезокерамики |
P-885 серии PICMA |
P-885 серии PICMA |
P-885 серии PICMA | ||
|
Электрическая ёмкость |
6.3 |
6.3 |
6.3 |
мкФ |
±20% |
|
Динамический коэффициент рабочего тока |
7.9 |
7.9 |
7.9 |
мкА/ (Гц*мкм) |
±20% |
|
Диапазон рабочих температур |
От -20 до +80 |
От -20 до +80 |
От -20 до +80 |
° С | |
|
Материал |
Алюминий |
Алюминий |
Алюминий | ||
|
Масса |
730 |
700 |
700 |
г |
±5% |
|
Длина кабеля |
1.5 |
1.5 |
1.5 |
м |
±10 мм |
|
Тип разъёма для датчика |
3хLEMO |
- |
- | ||
|
Тип разъёма для сигнального кабеля |
3хLEMO |
LEMO |
3хLEMO |
Оплата продукции производится по безналичному расчету на основании счета либо договора поставки. Компания АЗИМУТ ФОТОНИКС принимает участие в конкурсных торгах (электронных аукционах) на выполнение заказов от бюджетных организаций. Для бюджетных организаций предусмотрена работа с частичной предоплатой в рамках договоров по ФЗ.
Доставка оборудования и компонентов во все регионы России осуществляется транспортными компаниями (Major Express, Гарантпост, СДЭК) с обязательным соблюдением требований к транспортировке и хранению, также возможен самовывоз из нашего офиса в Москве. Условия отправки груза в страны СНГ и ЕАЭС необходимо уточнять отдельно у специалистов нашей компании.
