|
Поставщик
|
Physik Instrumente (PI) |
|
Типы изделий
|
многокоординатные пьезоплатформы |
|
Тип привода
|
пьезоэлектрические |
|
Количество осей
|
трехосевые |
|
Диапазон перемещения
|
15-340 мкм |
|
Ось перемещения
|
XYZ |
|
Материал
|
алюминий |
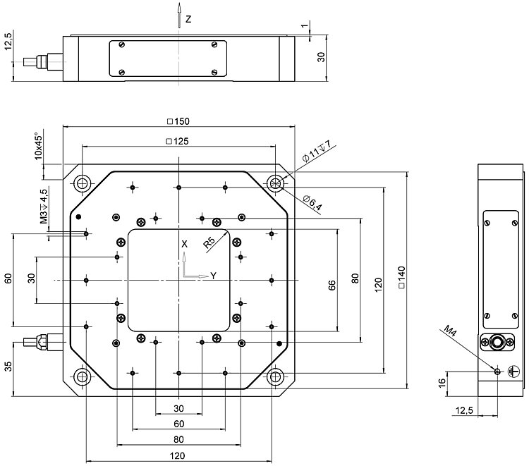
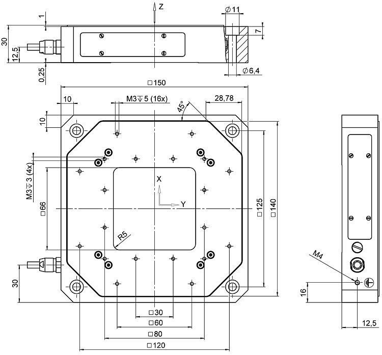
Пьезоплатформы P-561, P-562, P-563 серии PIMars представлены несколькими моделями, обеспечивающими перемещение по координатам XYZ на дистанции (в режиме с обратной связью) до 300 мм вдоль каждой оси. Апертура размером 66 х 66 мм позволяет использовать платформы во многих задачах нанопозиционирования, требующих прохождения света через подвижный элемент. Все модели серии PIMars оборудованы ёмкостными датчиками обратной связи. Измерение перемещения при помощи ёмкостных датчиков осуществляется без физического контакта, что позволяет избежать трения. Отсутствие гистерезиса, субнанометровое разрешение и высокая линейность делают ёмкостные датчики отличным инструментом для реализации обратной связи. Платформы серии PIMars относятся к системам параллельной кинематики, в которых все встроенные в платформу пьезоактуаторы воздействуют на одну подвижную часть платформы. Использование в многокоординатной платформе только одной движущейся части позволяет минимизировать перемещаемую массу и тем самым улучшить динамические характеристики.
Системы параллельной кинематики могут иметь до 6-ти степеней свободы и при этом сохранять низкую инерцию и отличные динамические характеристики. В таких системах возможно определение положения платформы по всем степеням свободы относительно реперной точки. При проектировании платформ широко использовалось компьютерное моделирование с применением метода конечных элементов, благодаря этому удалось минимизировать отклонение от прямолинейного перемещения. В пьезоплатформах с параллельной кинематикой нежелательное перемещение, вызванное одним из актуаторов в направлении действия другого (crosstalk), немедленно детектируется и компенсируется при помощи обратной связи с контроллером.
Платформы с каталожными номерами P‑561.3CD, P-562.3CD и P-563.3CD имеют вакуумные модификации. На давление до 10‑6 гПа рассчитаны модификации: P-561.3VD, P‑562.3VD и P-563.3VD. На давление до 10-9 гПа рассчитаны модификации: P-561.3UD, P-562.3UD и P-563.3UD. В пьезоплатформах P-561, P-562, P-563 используются пьезоактуаторы PICMA®, характеризующиеся низким током утечки и большим сроком службы.
Технические характеристики:
|
Характеристика |
P-561.3CD |
P-562.3CD |
P-563.3CD |
P-561.3DD |
Ед. изм. |
|
Направление перемещения |
X, Y, Z |
X, Y, Z |
X, Y, Z |
X, Y, Z | |
|
Характеристики движения и позиционирования | |||||
|
Встроенный сенсор |
Ёмкостный |
Ёмкостный |
Ёмкостный |
Ёмкостный | |
|
Диапазон перемещений без обратной связи (от -20 до +120 В) |
150 x 150 x 150 |
300 x 300 x 300 |
340 x 340 x 340 |
58 x 58 x 18 |
мкм |
|
Диапазон перемещений с обратной связью |
100 x 100 x 100 |
200 x 200 x 200 |
300 x 300 x 300 |
45 x 45 x 15 |
мкм |
|
Разрешение без обратной связи |
0.2 |
0.4 |
0.5 |
0.1 |
нм |
|
Разрешение с обратной связью |
0.8 |
1 |
2 |
0.2 |
нм |
|
Нелинейность |
0.03 |
0.03 |
0.03 |
0.01* |
% |
|
Точность повторного позиционирования X, Y, Z |
2 / 2 / 2 |
2 / 2 / 4 |
2 / 2 / 4 |
2 / 2 / 2 |
нм |
|
Отклонение от вокруг поперечной оси (Pitch) при движении по осям X, Y |
±1 |
±2 |
±2 |
±3 |
мкрад |
|
Отклонение вокруг осей X, Y при движении по оси Z (Runout) |
±15 |
±20 |
±25 |
±3 |
мкрад |
|
Отклонение от вокруг вертикальной оси (Yaw) при движении по осям X, Y |
±6 |
±10 |
±10 |
±3 |
мкрад |
|
Плоскопараллельность в плоскости X, Y |
±15 |
±20 |
±25 |
±10 |
нм |
|
Перекрестное влияние вдоль осей X, Y (Crosstalk) при движении по оси Z |
±30 |
±50 |
±50 |
±20 |
нм |
|
Механические характеристики | |||||
|
Резонансная частота без нагрузки X/Y/Z |
190 / 190 / 380 |
160 / 160 / 315 |
140 / 140 / 250 |
920 / 920 / 1050 |
Гц |
|
Резонансная частота с нагрузкой 100 г X/Y/Z |
- |
145 / 145 / 275 |
120 / 120 / 215 |
860 / 860 / 950 |
Гц |
|
Резонансная частота с нагрузкой 330 г X/Y/Z |
140 / 140 / 300 |
130 / 130 / 195 |
110 / 110 / 170 |
500 / 500 / 470 |
Гц |
|
Толкающая сила в направлении X/Y/Z |
200 / 200 / 50 |
120 / 120 / 50 |
100 / 100 / 50 |
200 / 200 / 50 |
Н |
|
Тянущая сила в направлении X/Y/Z |
30 / 30 / 30 |
30 / 30 / 30 |
30 / 30 / 30 |
30 / 30 / 30 |
Н |
|
Максимальная нагрузка |
50 |
50 |
50 |
50 |
Н |
|
Характеристики двигателя | |||||
|
Тип пьезокерамики |
PICMA® P-885 |
PICMA® P-885 |
PICMA® P-885 |
PICMA® P-885 | |
|
Электрическая ёмкость в направлении X/Y/Z |
5.2 / 5.2 / 10.4 |
7.4 / 7.4 / 14.8 |
7.4 / 7.4 / 14.8 |
38 / 38 / 6 |
мкФ |
|
Динамический коэффициент рабочего тока (DOCC) в направлении X/Y/Z |
6.5 / 6.5 / 13 |
4.6 / 4.6 / 9.25 |
3.1 / 3.1 / 6.1 |
106 / 106 / 50 |
мкА/ (Гц*мкм) |
|
Прочие условия | |||||
|
Диапазон рабочих температур |
От -20 до +80 |
От -20 до +80 |
От -20 до +80 |
От -20 до +80 |
°С |
|
Материал |
Алюминий |
Алюминий |
Алюминий |
Алюминий | |
|
Масса |
1.45 |
1.45 |
1.45 |
1.55 |
кг |
|
Длина кабеля |
1.5 |
1.5 |
1.5 |
1.5 |
м |
|
Рекомендуемый контроллер |
E-725, E-712 |
E-725, E-712 |
E-725, E-712 |
E-725, E-712 | |
Оплата продукции производится по безналичному расчету на основании счета либо договора поставки. Компания АЗИМУТ ФОТОНИКС принимает участие в конкурсных торгах (электронных аукционах) на выполнение заказов от бюджетных организаций. Для бюджетных организаций предусмотрена работа с частичной предоплатой в рамках договоров по ФЗ.
Доставка оборудования и компонентов во все регионы России осуществляется транспортными компаниями (Major Express, Гарантпост, СДЭК) с обязательным соблюдением требований к транспортировке и хранению, также возможен самовывоз из нашего офиса в Москве. Условия отправки груза в страны СНГ и ЕАЭС необходимо уточнять отдельно у специалистов нашей компании.
