|
Поставщик
|
Physik Instrumente (PI) |
|
Типы изделий
|
многокоординатные пьезоплатформы |
|
Тип привода
|
пьезоэлектрические |
|
Количество осей
|
трехосевые |
|
Диапазон перемещения
|
100-120 мкм |
|
Ось перемещения
|
XY/XZ |
|
Материал
|
алюминий, сталь |
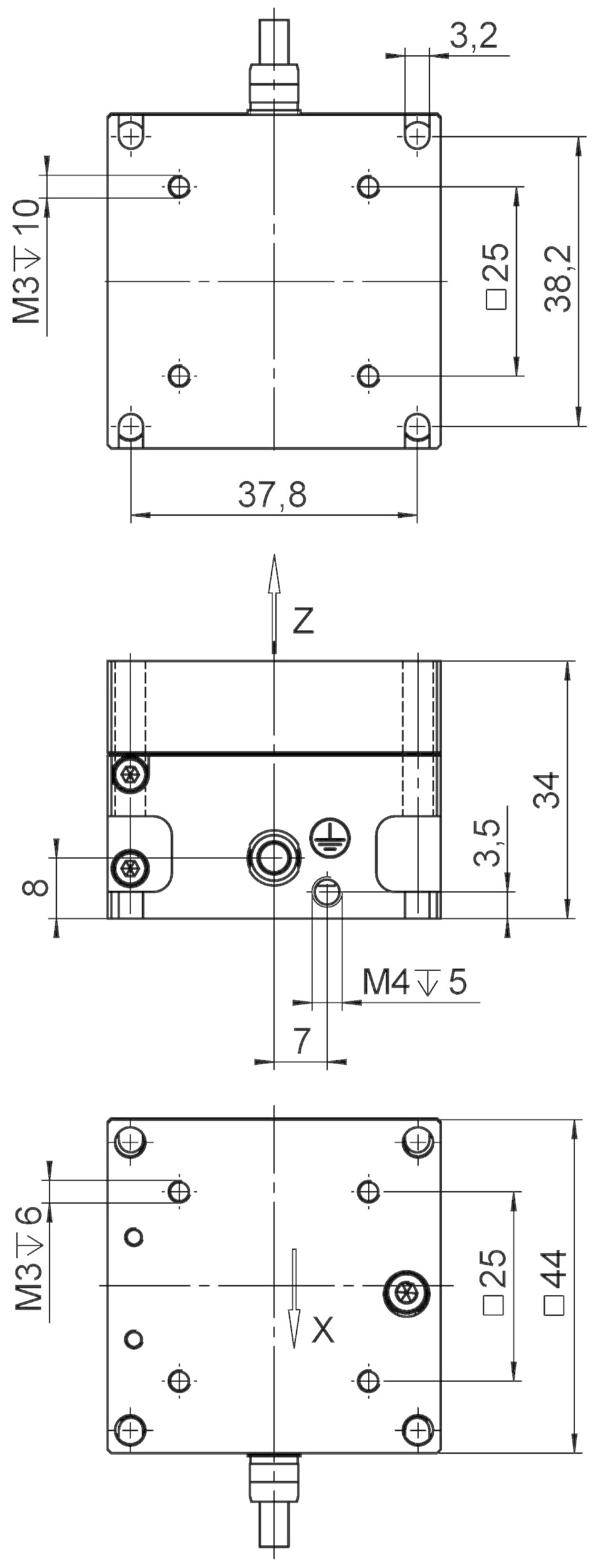
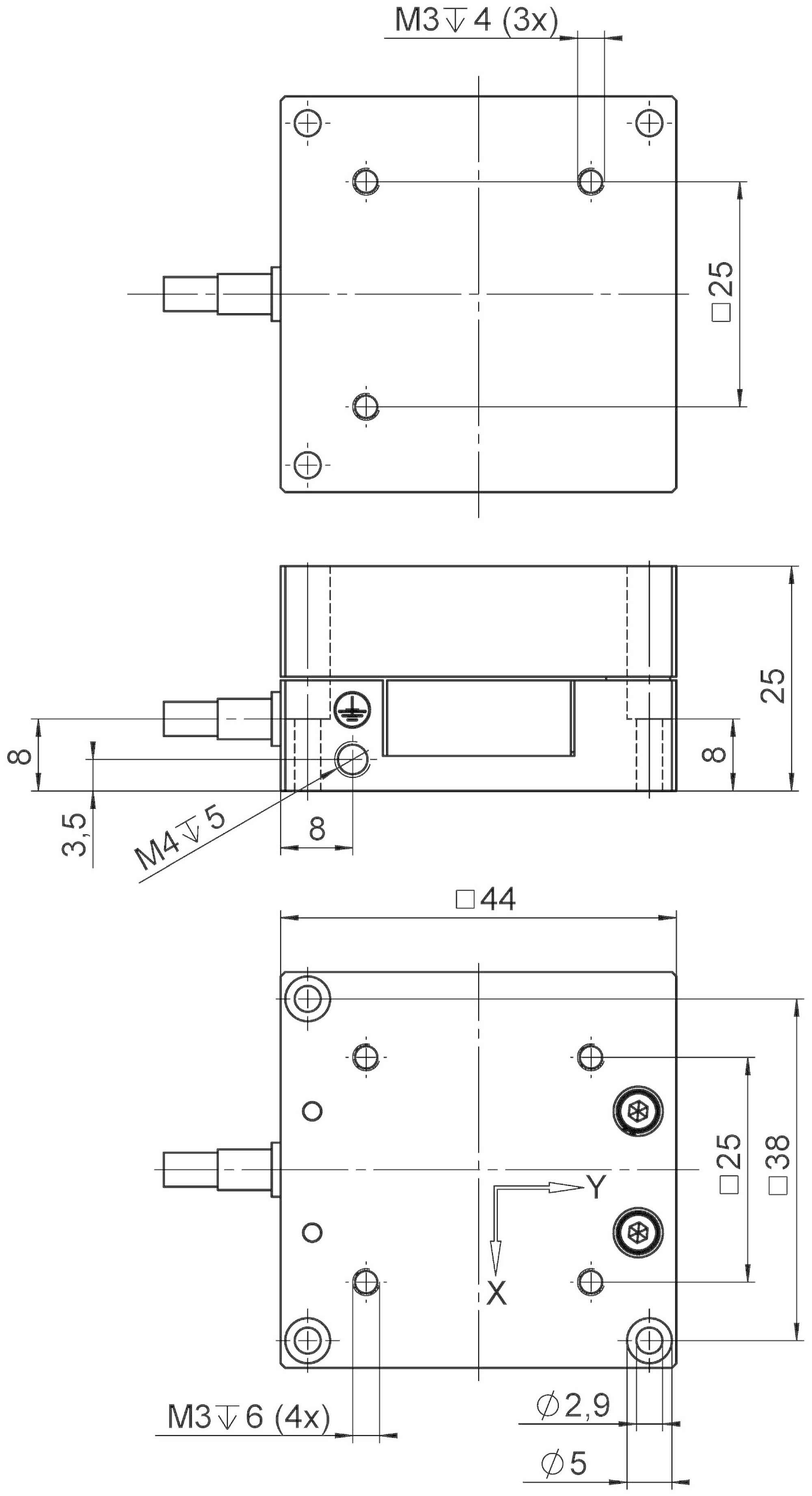
Пьезоплатформы серии P-611.2 - P-611.XZ предназначены для нанопозиционирования объектов с массой до 1.5 кг в диапазоне до 100 мкм по осям XY (модификации P-611.2S и P-611.20) и XZ (модификации P-611.XZS и P-611.XZ0). Данные платформы имеют малые габариты 44 х 44 мм, что позволяет их использовать в условиях ограниченного пространства.
Модификации P-611.2S и P-611.XZS оснащены тензометрическим датчиком, который в совокупности с системой обратной связи позволяет скомпенсировать нелинейные эффекты, связанные с пьезокерамикой и достичь точности повторного позиционирования менее 10 нм, при этом пользователь получает возможность отслеживать текущую координату платформы. Модификации P-611.20 и P-611.XZ0 предназначены для задач, связанных с перемещением с субнанометровым разрешением, в которых не требуется отслеживать координату платформы или где информация о положении платформы контролируется внешним устройством. Основой двигателя для P-611.2 - P-611.XZ являются пьезоактуаторы P-885 серии PICMA, которые отличаются низким током утечки и большим сроком службы. Пьезоактуаторы и датчики не нуждаются в обслуживании и не подвержены износу, что обеспечивает высокую надёжность оборудования.
Компания Physik Instrumente выпускает также одноосевые и трёхосевые пьезоплатформы на базе P-611.1. Для управления данными позиционерами Physik Instrumente выпускает цифровой контроллер серии c интерфейсами Ethernet, USB и RS-232 для обмена данными с ПК.
Применения:
- Интерферометрия;
- Метрология;
- Полупроводниковая промышленность;
- Микроскопия;
- Лазерные технологии.
Технические характеристики:
|
Характеристика |
P-611.2S |
P-611.20 |
P-611.XZS |
P-611.XZ0 |
Ед. измер. |
|
Направление перемещения |
X,Y |
X,Y |
X,Z |
X,Z | |
|
Тип встроенного датчика |
Тензометрический |
- |
Тензометрический |
- | |
|
Диапазон перемещений без обратной связи (от -20 до +120 В) |
120 |
120 |
120 |
120 |
мкм |
|
Диапазон перемещений с обратной связью |
100 |
- |
100 |
- |
мкм |
|
Разрешение без обратной связи |
0.2 |
0.2 |
0.2 |
0.2 |
нм |
|
Разрешение с обратной связью |
2 |
- |
2 |
- |
нм |
|
Нелинейность |
0.1 |
- |
0.1 |
- |
% |
|
Точность повторного позиционирования |
<10 |
- |
<10 |
- |
нм |
|
Отклонение от вокруг осей X,Y (Pitch) |
±5 |
±5 |
±5 |
±5 |
мкрад |
|
Отклонение вокруг X при движении вдоль Z |
- |
- |
±10 |
±10 |
мкрад |
|
Отклонение вокруг оси X (Yaw) |
±20 |
±20 |
±20 |
±20 |
мкрад |
|
Отклонение вокруг оси Y (Yaw) |
±10 |
±10 |
- |
- |
мкрад |
|
Отклонение вокруг Y при движении вдоль Z |
- |
- |
±10 |
±10 |
мкрад |
|
Жёсткость |
0.2 |
0.2 |
0.2; Z: 0.35 |
0.2; Z: 0.35 |
Н/мкм |
|
Резонансная частота без нагрузки |
X: 345;Y: 270 |
X: 345;Y: 270 |
X: 365;Z: 340 |
X: 365;Z: 340 |
Гц |
|
Резонансная частота с нагрузкой 30 г |
X: 270; Y: 225 |
X: 270; Y: 225 |
X: 280; Z: 295 |
X: 280; Z: 295 |
Гц |
|
Резонансная частота с нагрузкой 100 г |
X: 180; Y: 165 |
X: 180; Y: 165 |
X: 185; Z: 230 |
X: 185; Z: 230 |
Гц |
|
Толкающее / тянущее усилие в напралении перемещения |
15 / 10 |
15 / 10 |
15 / 10 |
15 / 10 |
Н |
|
Допустимая нагрузка |
15 |
15 |
15 |
15 |
Н |
|
Тип пьезокерамики |
PICMA® P-885 |
PICMA® P-885 |
PICMA® P-885 |
PICMA® P-885 | |
|
Электрическая ёмкость |
1.5 |
1.5 |
1.5 |
1.5 |
мкФ |
|
Динамический коэффициент рабочего тока (DOCC) |
1.9 |
1.9 |
1.9 |
1.9 |
мкА/ (Гц*мкм) |
|
Диапазон рабочих температур |
От -20 до +80 |
От -20 до +80 |
От -20 до +80 |
От -20 до +80 |
°С |
|
Материал |
Алюминий, сталь |
Алюминий, сталь |
Алюминий, сталь |
Алюминий, сталь | |
|
Габариты |
44 × 44 × 25 |
44 × 44 × 25 |
44 × 44 × 34 |
44 × 44 × 34 |
мм |
|
Масса |
0.235 |
0.235 |
0.27 |
0.27 |
кг |
|
Длина кабеля |
1.5 |
1.5 |
1.5 |
1.5 |
м |
|
Тип разъёма сигнального кабеля |
LEMO |
LEMO |
LEMO |
LEMO | |
|
Тип разъёма датчика |
LEMO |
- |
LEMO |
- |
Оплата продукции производится по безналичному расчету на основании счета либо договора поставки. Компания АЗИМУТ ФОТОНИКС принимает участие в конкурсных торгах (электронных аукционах) на выполнение заказов от бюджетных организаций. Для бюджетных организаций предусмотрена работа с частичной предоплатой в рамках договоров по ФЗ.
Доставка оборудования и компонентов во все регионы России осуществляется транспортными компаниями (Major Express, Гарантпост, СДЭК) с обязательным соблюдением требований к транспортировке и хранению, также возможен самовывоз из нашего офиса в Москве. Условия отправки груза в страны СНГ и ЕАЭС необходимо уточнять отдельно у специалистов нашей компании.
