|
Поставщик
|
Physik Instrumente (PI) |
|
Типы изделий
|
многокоординатные пьезоплатформы |
|
Тип привода
|
пьезоэлектрические |
|
Количество осей
|
двухосевые |
|
Диапазон перемещения
|
50-1800 мкм |
|
Ось перемещения
|
XY |
|
Материал
|
алюминий |
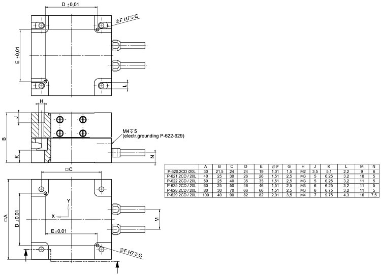
Пьезоплатформы серии P-620.2 - P-629.2 предназначены для перемещения объектов массой до 1 кг на дистанцию до 1500 мкм (в режиме с обратной связью) вдоль линейных осей X и Y. В режиме без обратной связи максимальный диапазон перемещения составляет 1800 мкм по каждой из осей X и Y. Данные позиционеры имеют компактные габариты, что позволяет их использовать в условиях ограниченного пространства. Основой привода данных платформ является пьезоактуатор P-882 - P-888 серии PICMA, характеризующийся низким током утечки и большим сроком службы.
Платформы оснащены ёмкостным датчиком с прямым методом измерения положения. Ёмкостный датчик вместе с системой обратной связи позволяет пользователю определить текущую координату платформы, а также добиться повторяемости перемещения в нанометровом диапазоне. Существует возможность конструирования трёхкоординатных систем вместе с Z-пьезоплатформами P-620.Z - P-622.Z. Для управления данными позиционерами компания Physik Instrumente выпускает цифровой контроллер серии E-727 с интерфейсами Ethernet, USB и RS-232 для обмена данными с ПК.
Доступны вакуумные версии платформ (до 10-9 гПа) с номерами P-62x.2UD.
Применения:
- Интерферометрия;
- Метрология;
- Полупроводниковая промышленность;
- Микроскопия;
- Лазерные технологии.
Технические характеристики:
|
Характеристика |
P-620.2CD / P-620.2CL |
P-621.2CD / P-621.2CL |
P-622.2CD / P-622.2CL |
Единица измерения |
Допуск |
|
Направление перемещения |
X,Y |
X,Y |
X,Y | ||
|
Тип встроенного датчика |
Ёмкостный |
Ёмкостный |
Ёмкостный | ||
|
Диапазон перемещений без обратной связи (от -20 до +120 В) по каждой из осей X и Y |
60 |
120 |
300 |
мкм |
Мин. (20%/-0%) |
|
Диапазон перемещений с обратной связью по каждой из осей X и Y |
50 |
100 |
250 |
мкм | |
|
Разрешение без обратной связи |
0.1 |
0.2 |
0.4 |
нм |
Тип. |
|
Разрешение с обратной связью |
0.2 |
0.4 |
0.7 |
нм |
Тип. |
|
Нелинейность |
0.02 |
0.02 |
0.02 |
% |
Тип. |
|
Точность повторного позиционирования |
±2 |
±2 |
±2 |
нм |
Тип. |
|
Отклонение вокруг осей Y / Z |
±3 |
±3 |
±3 |
мкрад |
Тип. |
|
Жёсткость |
0.22 |
0.25 |
0.2 |
Н/мкм |
±20% |
|
Резонансная частота без нагрузки (ось X) |
575 |
420 |
225 |
Гц |
±20% |
|
Резонансная частота без нагрузки (ось Y) |
800 |
535 |
300 |
Гц |
±20% |
|
Резонансная частота с нагрузкой 50 г (ось X) |
270 |
285 |
180 |
Гц |
±20% |
|
Резонансная частота с нагрузкой 50 г (ось Y) |
395 |
365 |
215 |
Гц |
±20% |
|
Резонансная частота с нагрузкой 100 г (ось X) |
285 |
220 |
160 |
Гц |
±20% |
|
Резонансная частота с нагрузкой 100 г (ось Y) |
300 |
285 |
175 |
Гц |
±20% |
|
Толкающее/тянущее усилие в направлении перемещения |
10/5 |
10/8 |
10/8 |
Н |
Макс. |
|
Допустимая нагрузка |
10 |
10 |
10 |
Н |
Макс. |
|
Допустимая боковая нагрузка |
10 |
10 |
10 |
Н |
Макс. |
|
Тип пьезокерамики |
PICMA® P-883 |
PICMA® P-885 |
PICMA® P-885 | ||
|
Электрическая ёмкость (X,Y) |
0.35 |
1.5 |
3.1 |
мкФ |
±20% |
|
Динамический коэффициент рабочего тока (X,Y) |
0.9 |
1.9 |
1.9 |
мкА/ (Гц*мкм) |
±20% |
|
Диапазон рабочих температур |
От -20 до +80 |
От -20 до +80 |
От -20 до +80 |
° С | |
|
Материал |
Алюминий |
Алюминий |
Алюминий | ||
|
Габариты |
30×30×21.5 мм |
40×40×25 |
50×50 ×25 |
мм | |
|
Масса |
0.195 |
0.295 |
0.348 |
кг |
±5 % |
|
Длина кабеля |
1.5 |
1.5 |
1.5 |
м |
±10 мм |
|
Тип разъёма для датчика/ сигнального кабеля |
Sub-D/LEMO |
Sub-D/LEMO |
Sub-D/LEMO |
Технические характеристики:
|
Характеристика |
P-625.2CD / P-625.2CL |
P-628.2CD / P-628.2CL |
P-629.2CD / P-629.2CL |
Единица измерения |
Допуск |
|
Направление перемещения |
X,Y |
X,Y |
X,Y | ||
|
Тип встроенного датчика |
Ёмкостный |
Ёмкостный |
Ёмкостный | ||
|
Диапазон перемещений без обратной связи (от -20 до +120 В) по каждой из осей X и Y |
600 |
950 |
1800 |
мкм |
Мин. (20%/-0%) |
|
Диапазон перемещений с обратной связью по каждой из осей X и Y |
500 |
800 |
1500 |
мкм | |
|
Разрешение без обратной связи |
0.5 |
0.5 |
2 |
нм |
Тип. |
|
Разрешение с обратной связью |
1.4 |
3.5 |
3.5 |
нм |
Тип. |
|
Нелинейность |
0.03 |
0.03* |
0.03** |
% |
Тип. |
|
Точность повторного позиционирования |
±5 |
±10 |
±14 |
нм |
Тип. |
|
Отклонение вокруг осей Y / Z |
±3/±5 |
±20/±5 |
±30/±5 |
мкрад |
Тип. |
|
Жёсткость |
0.1 |
0.05 |
0.1 |
Н/мкм |
±20% |
|
Резонансная частота без нагрузки (ось X) |
135 |
75 |
60 |
Гц |
±20% |
|
Резонансная частота без нагрузки (ось Y) |
195 |
105 |
100 |
Гц |
±20% |
|
Резонансная частота с нагрузкой 50 г (ось X) |
120 |
60 |
55 |
Гц |
±20% |
|
Резонансная частота с нагрузкой 50 г (ось Y) |
150 |
85 |
85 |
Гц |
±20% |
|
Резонансная частота с нагрузкой 100 г (ось X) |
105 |
55 |
50 |
Гц |
±20% |
|
Резонансная частота с нагрузкой 100 г (ось Y) |
125 |
75 |
80 |
Гц |
±20% |
|
Толкающее/тянущее усилие в направлении перемещения |
10/8 |
10/8 |
10/8 |
Н |
Макс. |
|
Допустимая нагрузка |
10 |
10 |
10 |
Н |
Макс. |
|
Допустимая боковая нагрузка |
10 |
10 |
10 |
Н |
Макс. |
|
Тип пьезокерамики |
PICMA® P-885 |
PICMA® P-887 |
PICMA® P-888 | ||
|
Электрическая ёмкость (X,Y) |
6.2 |
19 |
52 |
мкФ |
±20% |
|
Динамический коэффициент рабочего тока (X,Y) |
1.6 |
3 |
4.3 |
мкА/ (Гц*мкм) |
±20% |
|
Диапазон рабочих температур |
От -20 до +80 |
От -20 до +80 |
От -20 до +80 |
° С | |
|
Материал |
Алюминий |
Алюминий |
Алюминий | ||
|
Габариты |
60×60×25 |
80×80×25 |
100х100×40 |
мм | |
|
Масса |
0.43 |
0.7 |
1.37 |
кг |
±5 % |
|
Длина кабеля |
1.5 |
1.5 |
1.5 |
м |
±10 мм |
|
Тип разъёма для датчика/ сигнального кабеля |
Sub-D/LEMO |
Sub-D/LEMO |
Sub-D/LEMO |
Нижняя ось X, верхняя ось Y.
Версии без датчика положения имеют номер P-62x.20L. Диапазон рабочих температур у данной серии от -20 до 150 ° С. Тип разъёма для датчика/ сигнального кабеля LEMO.
*С использованием цифрового контроллера. При работе с аналоговым контроллером нелинейность составляет 0.05 %;
Оплата продукции производится по безналичному расчету на основании счета либо договора поставки. Компания АЗИМУТ ФОТОНИКС принимает участие в конкурсных торгах (электронных аукционах) на выполнение заказов от бюджетных организаций. Для бюджетных организаций предусмотрена работа с частичной предоплатой в рамках договоров по ФЗ.
Доставка оборудования и компонентов во все регионы России осуществляется транспортными компаниями (Major Express, Гарантпост, СДЭК) с обязательным соблюдением требований к транспортировке и хранению, также возможен самовывоз из нашего офиса в Москве. Условия отправки груза в страны СНГ и ЕАЭС необходимо уточнять отдельно у специалистов нашей компании.
