|
Поставщик
|
Physik Instrumente (PI) |
|
Типы изделий
|
многокоординатные пьезоплатформы |
|
Тип привода
|
пьезоэлектрические |
|
Количество осей
|
трехосевые |
|
Диапазон перемещения
|
100-120 мкм |
|
Ось перемещения
|
XYZ |
|
Материал
|
алюминий, сталь |
P-611 NanoCube® представляет собой универсальную, многокоординатную пьезосистему для нанопозиционирования. В компактном корпусе реализована система, позволяющая осуществлять перемещения в диапазоне 100 x 100 x 100 мкм. Оборудованный жесткой, с минимальным трением системой направляющих, NanoCube® позволяет осуществлять перемещение со сверхвысоким разрешением и временем установки координаты в несколько миллисекунд. Минимизация подвижной массы и жесткий пьезопривод делают его идеальным решением для задач, где требуется высокая производительность. Например, при юстировке оптоволокна, где это позволяет существенно повысить динамические характеристики оборудования, по сравнению с обычными моторизированными приводами.
Модификации с/без обратной связи
Тензодатчик в совокупности с высоким разрешением и малым временем отклика, позволяют с высокой точностью определить положение платформы и передать сигнал обратной связи на контроллер. Датчик подключен по мостовой схеме, что исключает температурный дрейф, и обеспечивает превосходную стабильность позиционирования в нанометровом диапазоне.
Модели без обратной связи прекрасно подходят для решения задач, где требуются быстрый отклик и высокая точность позиционирования, но абсолютное значение координаты не столь важно. Также эти модели могут использоваться в задачах, где контроль положения осуществляется внешними устройствами, например интерферометром, PSD (position sensitive diode), CCD, другими системами или с помощью оператора.
Комбинирование с другими платформами
Серия пьезоплатформ P-611 представлена большим количеством одно и много осевых моделей (X, XY, Z, XZ и XYZ), что позволяет легко комбинировать их между собой и с другими платформами для микроперемещений. Например, эта возможность используется при создании систем грубой/точной юстировки с большим диапазоном перемещений.
Высокая надежность
Система P-611 оборудована преднагруженными, высокоэффективными пьезоактуаторами серии PICMA® которые объединены с системой направляющих. Актуаторы PICMA® находятся в закрытом керамическом корпусе, что повышает их надежность и эксплуатационные характеристики по сравнению с обычными пьезоактуаторами. Актуаторы, направляющие и датчики не нуждаются в обслуживании и не подвержены износу, обеспечивая высокую надежность оборудования.
Технические характеристики:
|
Характеристика |
P-611.3S; P-611.3SF |
P-611.3O; P-611.3OF |
Единица измерения |
|
Направления перемещения |
X, Y, Z |
X, Y, Z | |
|
Движение и позиционирование | |||
|
Встроенный сенсор |
Тензометрический |
Нет | |
|
Диапазон перемещений без обратной связи, -20 … +120 В |
120 / на ось |
120 / на ось |
мкм |
|
Диапазон перемещений с обратной связью |
100 / на ось |
- | |
|
Разрешение без обратной связи |
0.2 |
0.2 |
нм |
|
Разрешение с обратной связью |
1 |
- |
нм |
|
Нелинейность |
0.1 |
- |
% |
|
Точность повторного позиционирования |
<10 |
- |
нм |
|
Тангаж (Pitch), угловые отклонения вокруг поперечной оси при движении. X, Y |
± 5 |
± 5 |
мкрад |
|
Отклонение qx (Runout) при движении по оси Z |
± 10 |
± 10 |
мкрад |
|
Рыскание (Yaw) угловые отклонения вокруг вертикальной оси при движении. X |
± 20 |
± 20 |
мкрад |
|
Рыскание (Yaw) угловые отклонения вокруг вертикальной оси при движении. Y |
± 10 |
± 10 |
мкрад |
|
Отклонение qy (Runout) при движении по оси Z |
± 10 |
± 10 |
мкрад |
|
Механические характеристики | |||
|
Жесткость |
0.3 |
0.3 |
Н/мкм |
|
Резонансная частота без нагрузки X / Y / Z |
350 / 220 / 250 |
350 / 220 / 250 |
Гц |
|
Резонансная частота c нагрузкой 30 гр. X / Y / Z |
270 / 185 / 230 |
270 / 185 / 230 |
Гц |
|
Резонансная частота c нагрузкой 100 гр. X / Y / Z |
180 / 135 / 200 |
180 / 135 / 200 |
Гц |
|
Толкающая / тянущая сила в направлении перемещения |
+15 / -10 |
+15 / -10 |
Н |
|
Допустимая нагрузка |
15 |
15 |
Н |
|
Характеристики привода | |||
|
Марка пьезокерамики |
PICMA® P-885 |
PICMA® P-885 | |
|
Электрическая емкость |
1.5 |
1.5 |
мкФ |
|
Динамический коэффициент рабочего тока (DOCC) |
1.9 |
1.9 |
мкА/(Гц*мкм) |
|
Прочие характеристики | |||
|
Диапазон рабочих температур |
От -20 до +80 |
От -20 до +80 |
°С |
|
Материал |
Алюминий, сталь |
Алюминий, сталь | |
|
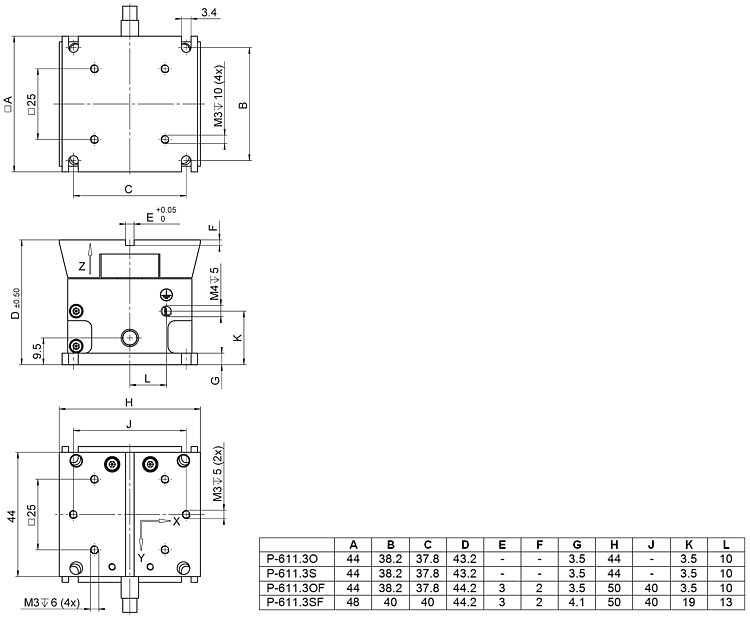
Габаритные размеры |
44 х 44 х 43.2 (SF: 44х50х44.2) |
44 х 44 х 43.2 (OF: 44х50х44.2) |
мм |
|
Масса |
0.32 |
0.32 |
кг |
|
Длина кабеля |
1.5 |
1.5 |
м |
|
Тип коннектора датчик / питание |
Sub-D / Sub-D |
- / Sub-D |
Оплата продукции производится по безналичному расчету на основании счета либо договора поставки. Компания АЗИМУТ ФОТОНИКС принимает участие в конкурсных торгах (электронных аукционах) на выполнение заказов от бюджетных организаций. Для бюджетных организаций предусмотрена работа с частичной предоплатой в рамках договоров по ФЗ.
Доставка оборудования и компонентов во все регионы России осуществляется транспортными компаниями (Major Express, Гарантпост, СДЭК) с обязательным соблюдением требований к транспортировке и хранению, также возможен самовывоз из нашего офиса в Москве. Условия отправки груза в страны СНГ и ЕАЭС необходимо уточнять отдельно у специалистов нашей компании.
